2025 年 10 月 11 日 18 时 54 分 20 秒
商业动态

2025 年诺贝尔物理学奖发得合理吗?

2025 年诺贝尔物理学奖授予约翰·克拉克 (John Clarke)、米歇尔·H·德沃雷 (Michel H. Devoret) 和约翰·马蒂尼斯 (John M. Martinis),以表彰他们在宏观量子隧穿和电路量子化方面的开创性发现。这几位开拓者通过超导电路,将量子效应从微观原子尺度扩展到宏观尺度,标志着量子力学在更大系统中的应用突破。正是这些突破,让基于超导电路的量子器件在量子计算和量子精密测量领域大展身手。


不过,业内一些讨论认为,今年诺奖似乎 「发早了」,因为实用超导量子计算机仍未落地;还有一些声音认为获奖人选不合理。本文作者将从量子效应在宏观尺度的探索与发现,谈本次诺奖成就的意义并回答上述疑问。


本文来自微信公众号:返朴 (ID:fanpu2019),作者:无邪,头图来自:视觉中国


图 1 2025 年诺贝尔物理学奖获奖人与获奖理由

自量子力学诞生以来,关于量子世界与经典世界的边界在哪就一直是一个充满争议的问题。著名的 「薛定谔的猫」 思想实验,就是在思考这个问题时提出来的。薛定谔的猫是一个比较极端的案例,它直接将量子力学的基本假定——波函数应用到日常生活可见可闻的宏观尺度,并得出一个非常诡异的结论:在那个神秘的盒子里,有那么一只既死又活的猫!尽管物理上允许我们构造出一个测量,它的本征态是死猫与活猫的叠加态,但现实世界似乎是存在禁忌的——我们只可能要么看到死猫,要么看到活猫。

很明显,将量子力学效应直接一步到位拉到宏观尺度会产生非常反直觉、违背常识的问题,所以接下来的问题是:如果我们确定量子力学无法应用于我们日常可见的宏观尺度,那它到底在什么尺度上会失效呢?有这样一个明确的边界吗?有的话它在哪?如果没有,这中间又是如何过渡的呢?

物理学家一直在追寻这些问题的答案。量子力学的几个基本公设——波函数、薛定谔方程、测量的玻恩解释是存在一些不可思议的地方的,除了时间和能量在方程中的特殊地位之外,最不协调的地方是演化的幺正性和测量的非幺正性,也就是量子体系演化过程是可逆的,测量却是不可逆的。

这中间无法用一个统一的方程来描述,以至于到后来产生了一个极具争议的话题:这个世界的运行,是否是由于 「人」 的意识而建立的?如果没有了 「人」 这个最终的观测者,这个世界是否就不会存在?很明显这是物理学家难以接受的,正如爱因斯坦所说,物理学应该具有 「协变性」,即物理定律应该在任何时间、任何地点都成立,而不应存在某些特殊的点或特殊的实体。

早在上世纪 20 年代,在爱因斯坦的一份手稿中,记录了他与玻色对玻色子统计特性的研究,其中爱因斯坦推测,将玻色子冷却到非常低的温度后,它们会 「落入」 到能量最低的量子态中,导致一种全新的物态。现在我们知道,这就是著名的 「玻色-爱因斯坦凝聚态 (BEC)」,而它正是一种典型的宏观量子态。

随着激光冷却技术的发展,到上世纪末,科学家终于可以在实验室里造出这种新物态。1995 年,康奈尔 (Eric Cornell)和威曼 (Carl Wieman)使用激光冷却和磁阱中的蒸发冷却技术,将大约 2000 个铷-87 原子气体的温度降低到 170nK,也就是在不到百万分之一开尔文的温度下,首次获得了玻色-爱因斯坦凝聚态;紧随其后的克特勒 (Wolfgang Ketterle)获得了更大规模的钠原子凝聚态,并研究了一些基本的物性。这三人因此分享了 2001 年的诺贝尔物理学奖。

由此,我们将量子力学的边界拓展到了 「万原子」 规模,但这与宏观尺度物质所包含的原子数 (~1023,千万亿亿个微观粒子)相去甚远。我们能否在更大的尺度上去验证量子力学的有效性呢?答案是可以的。

超导现象从上世纪初一经发现就持续受到巨大的关注。直到今天,很多物理学家和材料学家都将发现 「室温超导体」 视为圣杯。这是一种有着非常清晰的转变、非常鲁棒的相变行为——当温度低于某一阈值时,材料的电阻突然消失,与之相应的出现完全抗磁效应。

随着 BCS 理论的提出,我们终于对超导体,至少是常规超导体的微观机理有了认知:超导态与玻色-爱因斯坦凝聚态竟然有着密切的联系!首先,当温度降低到一定程度之后,电子在固体中原子核及其核心电子 (我们可称之为 「原子实」)形成的周期性晶格中运动时,会与晶格场发生相互作用,一对动量相反、自旋相反的电子相互吸引,形成所谓的 「库珀对」。

由于配对后的库珀电子对总自旋为零,因此它将表现出玻色子的统计行为。在低温下,这些库珀对几乎都处于基态,而库珀对的尺寸非常大,这进一步导致它们的波函数高度重叠,所有的库珀对具有一致的相位,可以用同一个波函数来描述。换句话说,超导体中的库珀对 「凝聚」 到了一起,形成了一种全新的宏观量子态。

与原子 BEC 不同,超导体中的宏观凝聚态可以在更高的温度下产生,而且其凝聚规模要大得多——单从参与其中的电子数量来看,已经达到了我们日常生活所接触到的物质规模了。但安东尼·莱格特 (Anthony J.Leggett;2003 年诺贝尔物理学奖获得者)认为,这些宏观凝聚态的发现,并没有直接证明量子力学原理适用于宏观系统,因为其中并没有宏观上的不同状态之间的量子叠加。

我们需要真正在宏观尺度上造出 「薛定谔的猫」 态,才能够证明量子力学在宏观尺度上仍然是有效的。那我们能不能研究多个这种宏观凝聚态之间的量子叠加行为,从而给出这个物理学家一直苦苦追寻的答案呢?

一种最为简单的、体现两个超导 「宏观量子态」 之间相互作用的情况,就是所谓的 「约瑟夫森效应」。这是由当时还是学生的布莱恩·约瑟夫森 (Brain Josephson)首次提出并写出相应方程的宏观量子干涉效应。彼时正值 BCS 理论刚刚成型,约瑟夫森敏锐地察觉到,超导电性最终取决于非零的长程电子-电子关联函数均值,而不是序参量∆。换句话说,超导波函数是可以在绝缘体中存在的!这意味着库珀对可以 「隧穿」 过本不可能存在超导态的绝缘体。

假如我们让两个超导体中间由一块薄薄的绝缘层分隔开 (由于隧穿几率随绝缘层厚度增加而指数降低,要形成可观测效应,这个绝缘层的厚度要求非常薄,通常在 10 纳米以内),这就构成了一个 「约瑟夫森结」。由于绝缘层的存在,两边超导体的波函数保持着高度的独立性,却又均有一定几率隧穿到对面,与另一个超导波函数发生相干叠加。于是一些有意思的量子效应——约瑟夫森效应就产生了。

接下来就到了关键时刻:我们能否证明约瑟夫森结中的宏观变量——库珀对数量或相位是量子的?或者说,我们能否确切地观察到这些宏观变量的量子化,并制造出 「薛定谔的猫」 态来呢?早在 1978 年,莱格特在其论文 《超低温物理学展望》 中就抛出了这个问题:我们或许能够在超导体或超流体系统中真实地制造出一个小型版的 「薛定谔的猫」?

他认为在超导电路中很有可能找到宏观量子隧穿的迹象,因为它具有很小的电阻,意味着它与外部环境的耦合非常弱。为此,莱格特和他的博士生阿米尔·卡德拉 (Amir Caldeira)专门研究了这样的系统与耗散性环境存在弱耦合时,是如何影响宏观量子隧穿几率的,为这一领域的研究打下了理论基础。

莱格特最初考虑的是一个由两个约瑟夫森结和一个超导环路组成的超导量子干涉仪 (SQUID)环路,事实证明有一个更好的、更为简单的研究对象:电流偏置的约瑟夫森结。

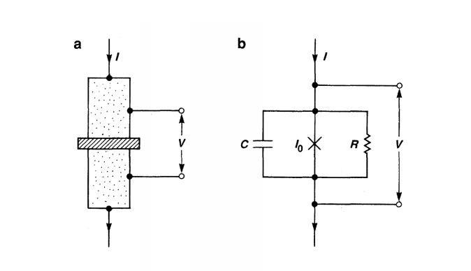
图 2(a) 是一个电流偏置的约瑟夫森结示意图,图中的散点阴影区表示超导体,中间的斜线阴影区则表示薄的绝缘层。(b) 是它的等效电路示意图,一个实际的约瑟夫森结可以表示为一个电容 c、一个理想的约瑟夫森结,以及一个电阻的并联结构。在零电压状态,这个电阻可以忽略。

在 1980 年代早期,就已经有不同研究组在电流偏置的约瑟夫森结中寻找宏观量子隧穿的证据。测量的方法是通过逐渐改变偏置电流,测量约瑟夫森结从零电压态向有阻态 「逃逸」 的概率。随着温度的逐渐降低,这一逃逸率应该会逐渐偏离热激发逃逸率,而趋于一个稳定值,即进入 「量子区域」。但这个实验存在一个问题,那就是即便你发现了这种偏离,该如何证明它不是由于其他噪声,比如说周围更热的物体的黑体辐射造成的?

直到约翰·克拉克和他的博士后德沃雷、大弟子马蒂尼斯在实验中给出确切无疑的证据。约翰·克拉克是一位出生于英国的科学家,1968 年,他在布莱恩·皮帕德 (Brian Pippard)爵士的指导下获得博士学位,1969 年加入美国加州大学伯克利分校并开始了他独立的科研生涯。

1985 年,三人合作先后 《在物理评论快报》(Physical Review Letters)上发表两篇论文:《零电压状态下的电流偏置约瑟夫森结中的能量量子化》(Energy-Level Quantization in the Zero-Voltage State of a Current-Biased Josephson Junction,Phys.Rev.Lett.,55,1543,1985)和 《零电压状态下的电流偏置约瑟夫森结中宏观量子隧穿测量》(Measurements of Macroscopic Quantum Tunneling out of the Zero-Voltage State of a Current-Biased Josephson Junction,Phys.Rev.Lett.55,1908,1985)

第一篇论文首次观测到宏观变量——约瑟夫森相位在一个处于零电压状态的电流偏置约瑟夫森结中的量子化,即形成分立的能级。这些能级的位置与量子力学计算结果高度相符。第二篇论文则在相同的体系中明确观测到了宏观量子隧穿现象。

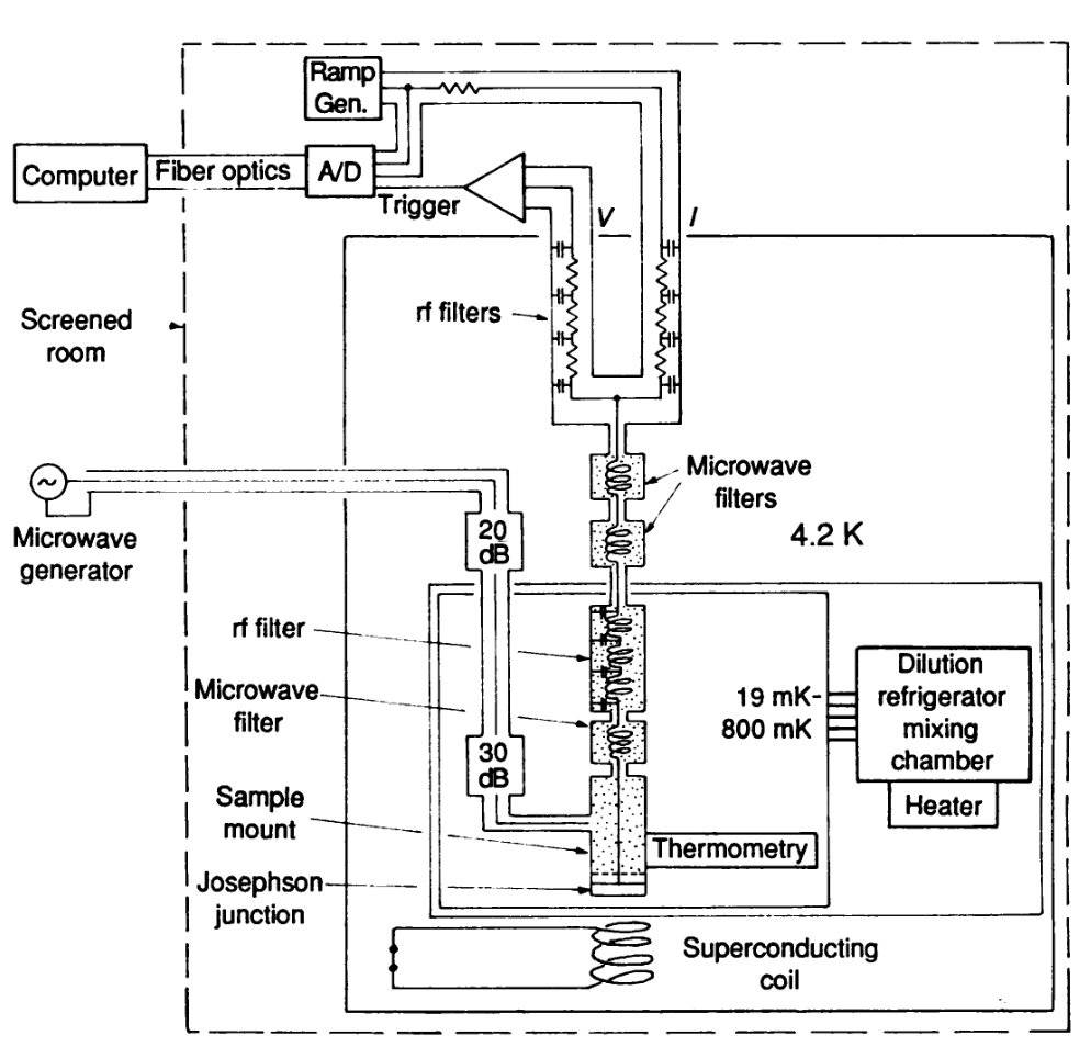
图 3 克拉克、德沃雷和马蒂尼斯的实验装置。实验是在一台稀释制冷机中进行的,约瑟夫森结安装在稀释制冷机的混合室内,电流偏置线路、操控的微波线路、信号读取线路都进行了非常细致的滤波,很多滤波技术沿用至今天的超导量子计算系统中。

为什么是他们的实验给出了明确的证据,而不是之前的同行们呢?因为他们做了非常细致的实验设计和线路滤波。他们开发了一种 「铜粉滤波器」 专门用来吸收高频噪声,在 0.1-12 GHz 范围内,微波衰减超过了 200 dB。

此外,他们用一个超导线圈来 「杀掉」 约瑟夫森结——通过磁场抑制掉约瑟夫森结的临界电流,让它变成一个普通结。在没有任何线路上的参数变化下,对比约瑟夫森结和 「普通结」 的逃逸率随温度变化曲线,从而打消了 「其他噪声影响实验结论」 的疑虑。

图 4 宏观量子隧穿几率在量子状态 (黑点) 与经典状态 (黑圈) 下的区别。这一实验确定无疑地证明了宏观量子隧穿的存在,以及约瑟夫森结相位是一个宏观量子变量。

1988 年,这个团队又在 《科学》(Science) 杂志上发表了一篇名为 《宏观变量的量子力学:约瑟夫森结的相位差》(Quantum Mechanics of a Macroscopic Variable:The Phase Difference of a Josephson Junction,Science,239,992,1988)的论文,通过测量低温下电流偏置的约瑟夫森结从零电压状态向有阻态的逃逸率,结果量子力学的预测高度相符——「没有任何可调参数」,确认了约瑟夫森结相位差是一个宏观量子变量。

在论文的摘要中,他们自称这是一个 「用线接起来的宏观原子」。彼时,德沃雷和马蒂尼斯已经前往法国萨克雷原子能研究所从事独立的研究。莱格特教授对此评价颇高,认为这比能级量子化更重要。

这一突破性进展,为后续基于超导量子电路量子化的大量开创性进展,特别是超导量子计算,打下了坚实的基础。电流偏置的约瑟夫森结本身,就是一种早期经典的量子比特——相位量子比特的前身。超导电路量子化的确立,使得我们可以利用超导量子电路来构造 「人工原子」:它具有可设计的能级结构、可设计的相互作用强度,以及可设计的与外部电磁场的耦合强度,使得构造可控的人工量子体系用于量子信息处理成为可能。

约瑟夫森效应的提出和约瑟夫森结相位差是一个宏观量子变量的实验验证,表明了量子力学在更大的尺度上仍是有效的。1999 年,日本理化研究所蔡兆申团队的中村泰信 (YasunobuNakamura)首次在一个 「超导小岛」(很多时候我们也称之为 「库珀对盒子」)中观测到了量子相干振荡现象,从此打开了超导量子比特与超导量子计算的大门。这是一只非常活泼的 「薛定谔的小猫」,它的存活时间,仅有不足 3 纳秒。

很多人认为本次诺贝尔奖 「给早了」,因为超导量子计算机还没有真正造出来。我觉得很可能是大家将本年度的奖项与超导量子计算直接关联了起来。必须承认,三人的工作为可控量子模拟和量子计算找到了一个非常理想的实验平台,超导量子计算就是在这些工作的基础上迅速发展出来的。但这个工作的物理意义远不止此。

正如我前面所说,它突破了量子与经典的边界,确定无疑地证明了量子力学在日常可见的宏观尺度上仍然有效。这表明量子和经典世界之间,并不存在清晰的边界。我们宏观尺度上之所以不存在真正的 「薛定谔的猫」,只是因为猫与环境的耦合太强,「薛定谔的猫」 存在的时间短到不可能观测。至此,我们不用怀疑量子力学在宏观尺度的适用性:只要系统与外部环境的耦合足够弱,不管系统有多大,它都是量子的。

另外,也有不少同行认为这个奖不给中村泰信等人有欠公平。而我认为,正因为中村的成果是第一个公认的 「超导量子比特」,这个奖还没法给他,毕竟超导量子计算机还没有真正应用并改变世界。事实上,本次诺贝尔物理学奖表彰克拉克三人,有着更深和更普适的意义:宏观量子隧穿和 「人工原子」 的确立,不仅促进了超导量子计算技术的发展成熟,更是提供了一种全新的可控量子平台,让我们可以在更大的系统上产生应用突破。

比如,利用约瑟夫森结电路中的量子化效应,可以构造各种精密测量工具,其中最著名的当数 「超导量子干涉仪 (SQUID)」,约翰·克拉克正是这一器件的发明者及其应用的大力推广者。克拉克年轻时对无线电技术着迷,曾自制业余无线电设备,并在剑桥大学实验室 「捣鼓」 超导实验,导致过一次小爆炸——这让他意识到量子隧穿的 「不可预测性」,也成为他日后研究的灵感来源。

后来,他将 SQUID 应用于脑磁图成像,半开玩笑地说:「我从监听无线电,变成了监听大脑的量子信号!」 克拉克个子很高,说话风趣幽默,我开始进入超导电子学领域时,他已年届七十,但身体非常硬朗。尽管他称得上是超导量子计算的奠基者之一,但他后来并没有持续深入地去研究超导量子计算,反而不遗余力地发展 SQUID 技术并推广其应用。

在他的实验室内,有着目前噪声最低的 DC-SQUID,他还用他的 SQUID 进行过暗物质探测实验。他写了一本 《SQUID 手册》,至今仍放在我的书柜,但我终究是没完整看完过!他是个非常有趣的人。

德沃雷后来到法国萨克雷原子能研究所成立了 「量子电子学 (Quantroncis)」 团队,在那里他发明了电子泵,直接观测到了库珀对的电荷,还发展出一种新型的量子比特 「Quantronium」。2002 年,他成为耶鲁大学的教授,在那里,他和团队构建 「电路量子电动力学 (circuit QED)」 系统,实现了人工原子的操控和测量。

今天,超导量子计算应用最为广泛的 「Transmon」 量子比特,就是由他在耶鲁的学生科赫 (JensKoch)等人提出的。德沃雷在耶鲁大学开创的研究组,如今已经成为超导量子电路、超导量子操控和计算领域的摇篮,散落在世界各地、近半数的超导量子研究组,比如 IBM 量子部门的开创成员,都出身于这个伟大的研究组。

获奖的三人中,约翰·马蒂尼斯是最具工程化能力的一位科学家。他是一位狂热的电子爱好者,对约瑟夫森结及其电路所带来的奇特电路效应十分感兴趣,并且最早在 「相位量子比特」——接近临界偏置的约瑟夫森结中发现了量子相干振荡。他还在两个相位量子比特之间实现了长距离 (10cm 尺度)的纠缠,进一步拓展了宏观量子效应的尺度。

马蒂尼斯是我辈心中的神级 「大佬」(大概因为他叱咤风云那些年,我们还是超导量子领域的小学生),他的高光时刻是 2014 年其整个团队被谷歌收购,开创了谷歌的量子 AI 团队,并在 2019 年推出横空出世的 「悬铃木」 量子芯片,在 53 个量子比特中首次展示了 「量子霸权」。

尽管此后他因某些原因黯然离开谷歌量子 AI 团队,但他的后继者,一群当年在加州大学圣巴巴拉分校的弟子们,继续将他的技术遗产推向新的高峰——2024 年底推出 105 比特 「Willow(垂柳)」 量子芯片,将 「量子霸权」 推到 5 分钟 vs.1025 年的新高度,并首次在超导量子处理器上实现了表面码量子纠错盈亏平衡点的突破,成为量子计算领域的一座新的高峰 (参见《谷歌量子纠错取得重要突破:逻辑量子比特寿命大幅延长》  《谷歌量子芯片发布震惊全球,但这并不是新鲜事》

而马蒂尼斯本人在离开谷歌之后也没闲着,一方面继续思考超导量子计算工程化方面的挑战与解决方案,一方面试图将他在超导量子体系中积累的经验应用于其他物理体系,比如自旋量子比特。最近,他创立了一家新的公司 Qolab,致力于利用半导体技术为超导量子芯片加工提供工业化解决方案。他是超导量子计算领域的传奇,用他自己的话说:他是一位绝对的 「技术乐观派」。

2025 年的诺贝尔物理学奖授予这三位宏观量子效应及其应用的先驱,无疑是实至名归的。正是这些开创性的工作,才使得我们今天距离实用量子计算如此之近。最后引用德沃雷和舍尔科夫 (Robert J.Schoelkopf)在 2013 年一篇综述文章 《用于量子信息处理的超导电路——一个展望》(Superconducting Circuits for Quantum Information-An Outlook)中的一段话作为结尾:

「然而,在过去不到二十年里,我们见证了量子计算,以及其他量子信息处理方面如此多的进展,以至于 (量子计算)看上去很可能在我们有生之年内实现,尽管仍有大量的新探索和技术创新等待着我们。」

我们必将是一个伟大时代的见证者,量子计算的荣耀必将归于二十一世纪。向三位开拓者致敬!